|
|
| Автор |
Сообщение |
Plohish Студент
Зарегистрирован: 31.03.2010 Сообщения: 8
Статус: Вне форума
|
31.03.2010 10:49 подключение автозапуск на автомобиле Hilux Surf 2003 года |
[цитировать] |
|
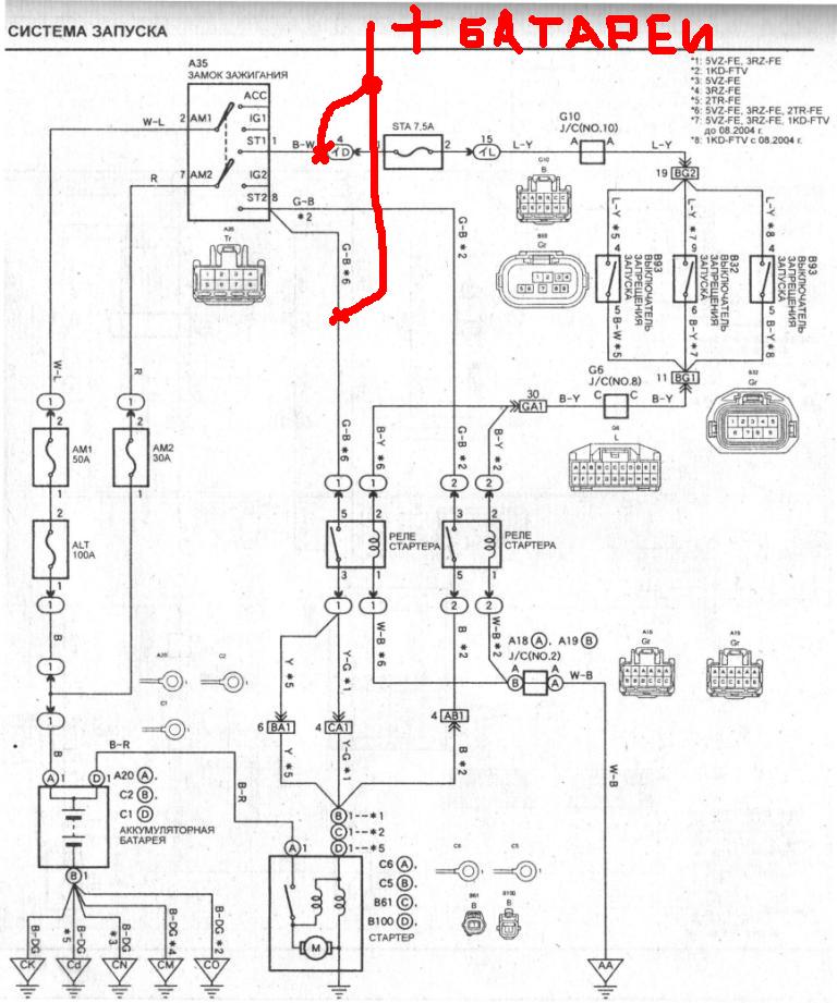
Здравствуйте уважаемые форумчане!!!!!!!!! Первый раз ставлю сигнализацию на свой автомобиль, возник вопрос, правильно ли я понимаю! Для реализации дистанционного автозапуска мне во время дистанционного пуска необходимо на провода ST1 и ST2 податть + батареи замка зажигания??????????? судя по схеме я так полагаю, а вопрос возник по причине следующей, нашел я точки подключения для своего авто, где написано что точка подключения стартера это черно белый провод (B-W) про провод G-B ни слова! как подключать???????? схема в файле[/img]
| Описание: |
|
 Скачать |
| Имя файла: |
001.jpg |
| Размер файла: |
97.75 KB |
| Скачано: |
1442 раз(а) |
|
|
| Вернуться к началу |
[профиль] [л.с.] |
 |
Олег кз Эксперт

Зарегистрирован: 07.05.2009 Сообщения: 541 Откуда: Казахстан г. Атырау (Гурьев)
Статус: Вне форума
|
31.03.2010 11:03 |
[цитировать] |
|
Здравствуйте.
Какая сигнализация. Вместе эти провода стартера соединять нельзя!!!!! Убедитесь контролькой, сколько у вас там проводов стартера, старт2 работает синхронно старт1
насколько помню, у этой модельки два стартера
_________________ Kingsound@mail.ru
Чем сможем - поможем.... |
|
| Вернуться к началу |
[профиль] [л.с.] |
 |
Анжей Советник
Зарегистрирован: 15.01.2010 Сообщения: 119 Откуда: Камчатка
Статус: Вне форума
|
31.03.2010 12:39 |
[цитировать] |
|
| ST2(красный) подключаем как обычно по схеме запуска.ST1(чёрный/белый) ОТРЕЗАЕМ от замка и коммутируем реле от своего плюса так,чтобы реле управлялось ST2.
|
|
| Вернуться к началу |
[профиль] [л.с.] |
 |
Анжей Советник
Зарегистрирован: 15.01.2010 Сообщения: 119 Откуда: Камчатка
Статус: Вне форума
|
31.03.2010 12:44 |
[цитировать] |
|
| Цвет проводов для праворульного Сурфа,но принцип тот-же.
|
|
| Вернуться к началу |
[профиль] [л.с.] |
 |
Sergey14 Эксперт
Зарегистрирован: 15.12.2007 Сообщения: 490 Откуда: Петропавловск-Камчатский
Статус: Вне форума
|
31.03.2010 13:31 |
[цитировать] |
|
На тойотах проблем не будет. Второй стартер от замка откуси, а в машину два вместе,после блокировки.Всё работает.Енто не Ниссан
_________________ Если что-то не то, то надо что-то делать ! |
|
| Вернуться к началу |
[профиль] [л.с.] |
 |
Sergey14 Эксперт
Зарегистрирован: 15.12.2007 Сообщения: 490 Откуда: Петропавловск-Камчатский
Статус: Вне форума
|
31.03.2010 13:34 |
[цитировать] |
|
Plohish
упсс,какое двигло ?
_________________ Если что-то не то, то надо что-то делать ! |
|
| Вернуться к началу |
[профиль] [л.с.] |
 |
Plohish Студент
Зарегистрирован: 31.03.2010 Сообщения: 8
Статус: Вне форума
|
|
| Вернуться к началу |
[профиль] [л.с.] |
 |
Plohish Студент
Зарегистрирован: 31.03.2010 Сообщения: 8
Статус: Вне форума
|
31.03.2010 14:40 |
[цитировать] |
|
| сигнализация пандора делюкс 3000
|
|
| Вернуться к началу |
[профиль] [л.с.] |
 |
Plohish Студент
Зарегистрирован: 31.03.2010 Сообщения: 8
Статус: Вне форума
|
|
| Вернуться к началу |
[профиль] [л.с.] |
 |
Plohish Студент
Зарегистрирован: 31.03.2010 Сообщения: 8
Статус: Вне форума
|
31.03.2010 14:48 |
[цитировать] |
|
to Анжей
у меня праворульный surf
|
|
| Вернуться к началу |
[профиль] [л.с.] |
 |
MMJ Корифей

Зарегистрирован: 21.03.2010 Сообщения: 61 Откуда: Приморский край
Статус: Вне форума
|
31.03.2010 15:17 |
[цитировать] |
|
Ребята, вы чо! Это же обычная однопроводная схема управления стартером,просто для разных комплектаций!
_________________ Одна голова - хорошо, а две - лучше. |
|
| Вернуться к началу |
[профиль] [л.с.] |
 |
Plohish Студент
Зарегистрирован: 31.03.2010 Сообщения: 8
Статус: Вне форума
|
31.03.2010 16:01 |
[цитировать] |
|
MMJ вы меня конечно извените, но на пальцах было бы наглядней, а лучше на рисунке
|
|
| Вернуться к началу |
[профиль] [л.с.] |
 |
Олег кз Эксперт

Зарегистрирован: 07.05.2009 Сообщения: 541 Откуда: Казахстан г. Атырау (Гурьев)
Статус: Вне форума
|
31.03.2010 20:14 |
[цитировать] |
|
| Sergey14 писал(а): | | На тойотах проблем не будет. Второй стартер от замка откуси, а в машину два вместе,после блокировки.Всё работает.Енто не Ниссан |
была тема на тойоте 35 америка, соеденили вместе два старта, при переключении перед, зад на автомате она тупо глохла, приходилось заводить
_________________ Kingsound@mail.ru
Чем сможем - поможем.... |
|
| Вернуться к началу |
[профиль] [л.с.] |
 |
Plohish Студент
Зарегистрирован: 31.03.2010 Сообщения: 8
Статус: Вне форума
|
01.04.2010 15:03 |
[цитировать] |
|
нарисуйте кто нибуть как правильно делать то
|
|
| Вернуться к началу |
[профиль] [л.с.] |
 |
Анжей Советник
Зарегистрирован: 15.01.2010 Сообщения: 119 Откуда: Камчатка
Статус: Вне форума
|
02.04.2010 14:27 |
[цитировать] |
|
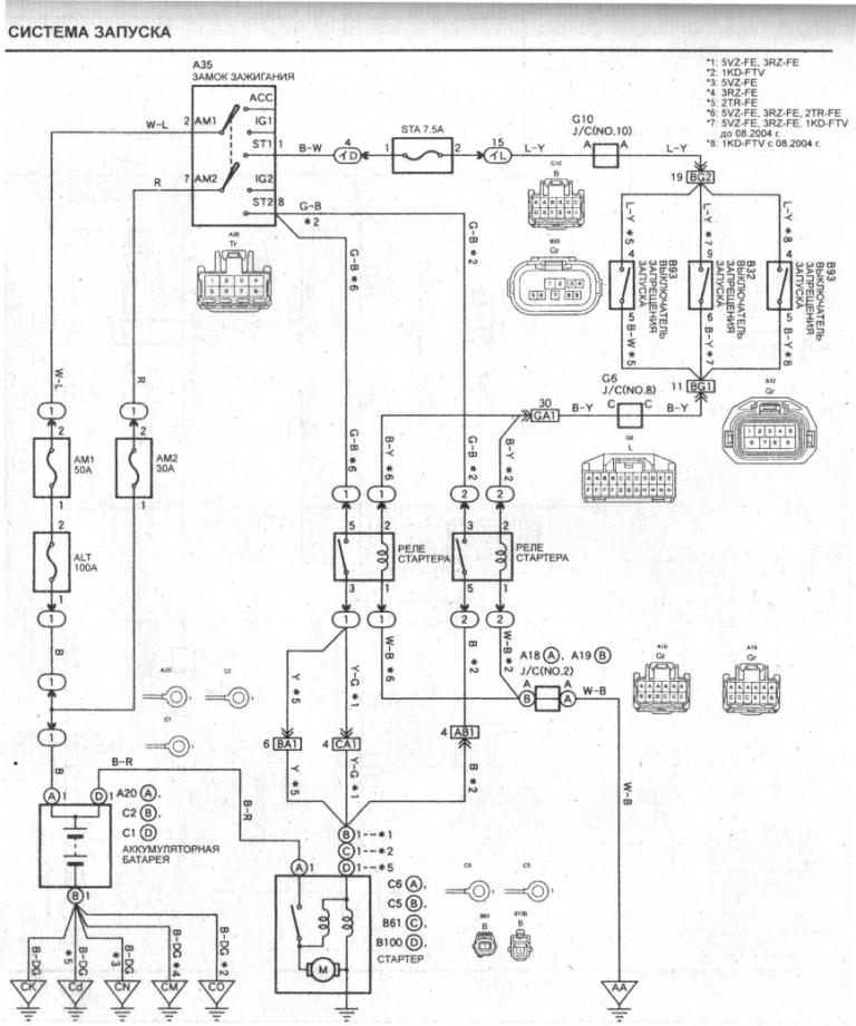
Вот примерно так.
| Описание: |
|
| Размер файла: |
35.93 KB |
| Просмотрено: |
2825 раз(а) |

|
|
|
| Вернуться к началу |
[профиль] [л.с.] |
 |
|