ГлавнаяКаталог и Интернет-магазинКонтактыТехцентрПолные инструкцииПодбор по параметрам

Список форумов AutoSet.ru : форумы по автосигнализациям AutoSet.ru : форумы по автосигнализациям
Форумы по автосигнализациям и автоэлектронике.
 
 База знаний и частые вопросыБаза знаний и частые вопросы   FAQFAQ   ПоискПоиск   ПользователиПользователи   ГруппыГруппы   РегистрацияРегистрация 
 ПрофильПрофиль   Войти и проверить личные сообщенияВойти и проверить личные сообщения   ВходВход 

Подключение Шериф 725 к ЦЗ Nissan Primera

 
Этот форум закрыт, вы не можете писать новые сообщения и редактировать старые.   Эта тема закрыта, вы не можете писать ответы и редактировать сообщения.    Список форумов AutoSet.ru : форумы по автосигнализациям -> Установка автосигнализаций - проблемы и неисправности
 
Автор Сообщение
Igor_K67
Студент


Зарегистрирован: 01.11.2006
Сообщения: 22


Статус: Вне форума

Сообщение08.11.2006 12:04    Подключение Шериф 725 к ЦЗ Nissan Primera [цитировать]

Уважаемые спецы!

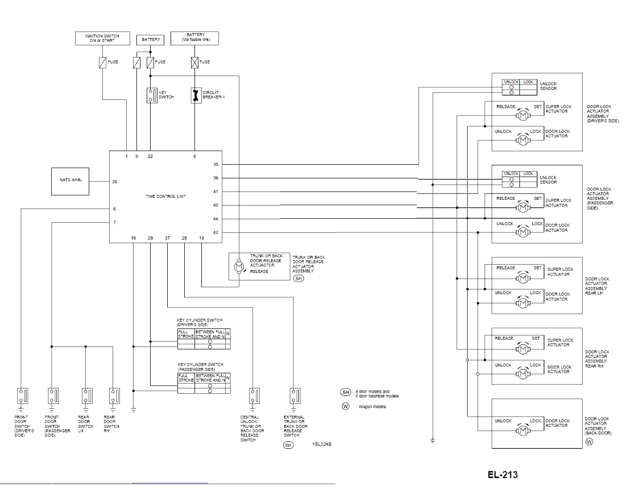
Нужна Ваша помощь. Не могу найти место где нужно подключить реле отпирания\запирания (Шериф 725) к ЦЗ Nissan Primera P11 1997г. Кто сталкивался с этой машиной подскажите где подключать и как.

Прикладываю схему из сервис мануала на P11-144 (Это ресталинговая версия P11)



ЦЗ.gif
 Описание:

Скачать
 Имя файла:  ЦЗ.gif
 Размер файла:  34.06 KB
 Скачано:  1530 раз(а)

Вернуться к началу [профиль] [л.с.]
Igor_K67
Студент


Зарегистрирован: 01.11.2006
Сообщения: 22


Статус: Вне форума

Сообщение08.11.2006 13:59     [цитировать]

Нород! Очень нужна помощь! Паяльник держать в руках умею! Но не хотелось бы накосячить в автомобиле! Вот и прошу совета у тех кто занимается установкой. Неужели никто не ставил на Ниссан Примеру сигнализаций
Вернуться к началу [профиль] [л.с.]
Руслан Ньютон
Эксперт


Зарегистрирован: 17.10.2006
Сообщения: 444
Откуда: г.Набережные Челны

Статус: Вне форума

Сообщение08.11.2006 14:33     [цитировать]

Есть ли кнопка управления центральным замком?Стоит ли привод на водительской двери?По идее в дверной гофре должны быть провода управления Ц.З. по минусу.
Вернуться к началу [профиль] [л.с.]
Igor_K67
Студент


Зарегистрирован: 01.11.2006
Сообщения: 22


Статус: Вне форума

Сообщение08.11.2006 14:42     [цитировать]

Спасибо что откликнулись! Кнопка управления ЦЗ? Не совсем понял что это? ЦЗ есть - работает так: когда открываешь\закрываешь дверь водителя или пассажира ключом закрываются\открываются все двери.Так же работает все если закрывать\открывать внутри машины двери водителя\пассажира. Провода должны быть но как найти -подскажите методику.
Вернуться к началу [профиль] [л.с.]
Руслан Ньютон
Эксперт


Зарегистрирован: 17.10.2006
Сообщения: 444
Откуда: г.Набережные Челны

Статус: Вне форума

Сообщение08.11.2006 14:58     [цитировать]

Для начала разберите водительскую дверь.Затем найдите пучок проводов идущий от замка двери и через контрольку с с слаботочной лампочкой подавайте на каждый провод поочереди минус(массу).пока не отреагируют два провода на открытие и закрытие.Обратите внимание на: закрываеться ли водительская дверь так как на многих НИССАНАХ не ставиться привод с завода на дверь водителя.Если его всётаки нет то просто устанавливаете свой привод и подключаете его к сигнализации с использованием силовой шестипроводной схемы подключения(в паспорте это есть)
Вернуться к началу [профиль] [л.с.]
Igor_K67
Студент


Зарегистрирован: 01.11.2006
Сообщения: 22


Статус: Вне форума

Сообщение08.11.2006 15:11     [цитировать]

Ок. Спасибо. Буду пробовать. Привод судя по схеме что я привел выше есть - DOOR LOCK ACTUATOR ASSEMBLY - DRIVER'S SIDE - Актуатор запирания двери в сборе - со стороны водителя - это он?

А при подаче минуса на разные провода в пучке я там ничего не спалю если не на тот провод минус пойдет? Подмигивающий
Вернуться к началу [профиль] [л.с.]
Руслан Ньютон
Эксперт


Зарегистрирован: 17.10.2006
Сообщения: 444
Откуда: г.Набережные Челны

Статус: Вне форума

Сообщение08.11.2006 15:15     [цитировать]

Если будете подавать как указано выше то нет
Вернуться к началу [профиль] [л.с.]
Igor_K67
Студент


Зарегистрирован: 01.11.2006
Сообщения: 22


Статус: Вне форума

Сообщение08.11.2006 15:18     [цитировать]

еще раз огромное спасибо!
Вернуться к началу [профиль] [л.с.]
Показать сообщения:   
Этот форум закрыт, вы не можете писать новые сообщения и редактировать старые.   Эта тема закрыта, вы не можете писать ответы и редактировать сообщения.    Список форумов AutoSet.ru : форумы по автосигнализациям -> Установка автосигнализаций - проблемы и неисправности Часовой пояс: GMT + 4
Страница 1 из 1

 
Перейти:  
Вы не можете начинать темы
Вы не можете отвечать на сообщения
Вы не можете редактировать свои сообщения
Вы не можете удалять свои сообщения
Вы не можете голосовать в опросах
Вы не можете вкладывать файлы
Вы можете скачивать файлы


Powered by phpBB © 2001, 2005 phpBB Group
Русская поддержка phpBB
Modified by phpBB Guru