ГлавнаяКаталог и Интернет-магазинКонтактыТехцентрПолные инструкцииПодбор по параметрам

Список форумов AutoSet.ru : форумы по автосигнализациям AutoSet.ru : форумы по автосигнализациям
Форумы по автосигнализациям и автоэлектронике.
 
 База знаний и частые вопросыБаза знаний и частые вопросы   FAQFAQ   ПоискПоиск   ПользователиПользователи   ГруппыГруппы   РегистрацияРегистрация 
 ПрофильПрофиль   Войти и проверить личные сообщенияВойти и проверить личные сообщения   ВходВход 

FALCON WR-400

 
Этот форум закрыт, вы не можете писать новые сообщения и редактировать старые.   Эта тема закрыта, вы не можете писать ответы и редактировать сообщения.    Список форумов AutoSet.ru : форумы по автосигнализациям -> Прочая автоэлектроника и электрика
 
Автор Сообщение
Dima66
Свой человек


Зарегистрирован: 22.11.2006
Сообщения: 45
Откуда: г.Екатеринбург

Статус: Вне форума

Сообщение26.12.2006 10:02    FALCON WR-400 [цитировать]

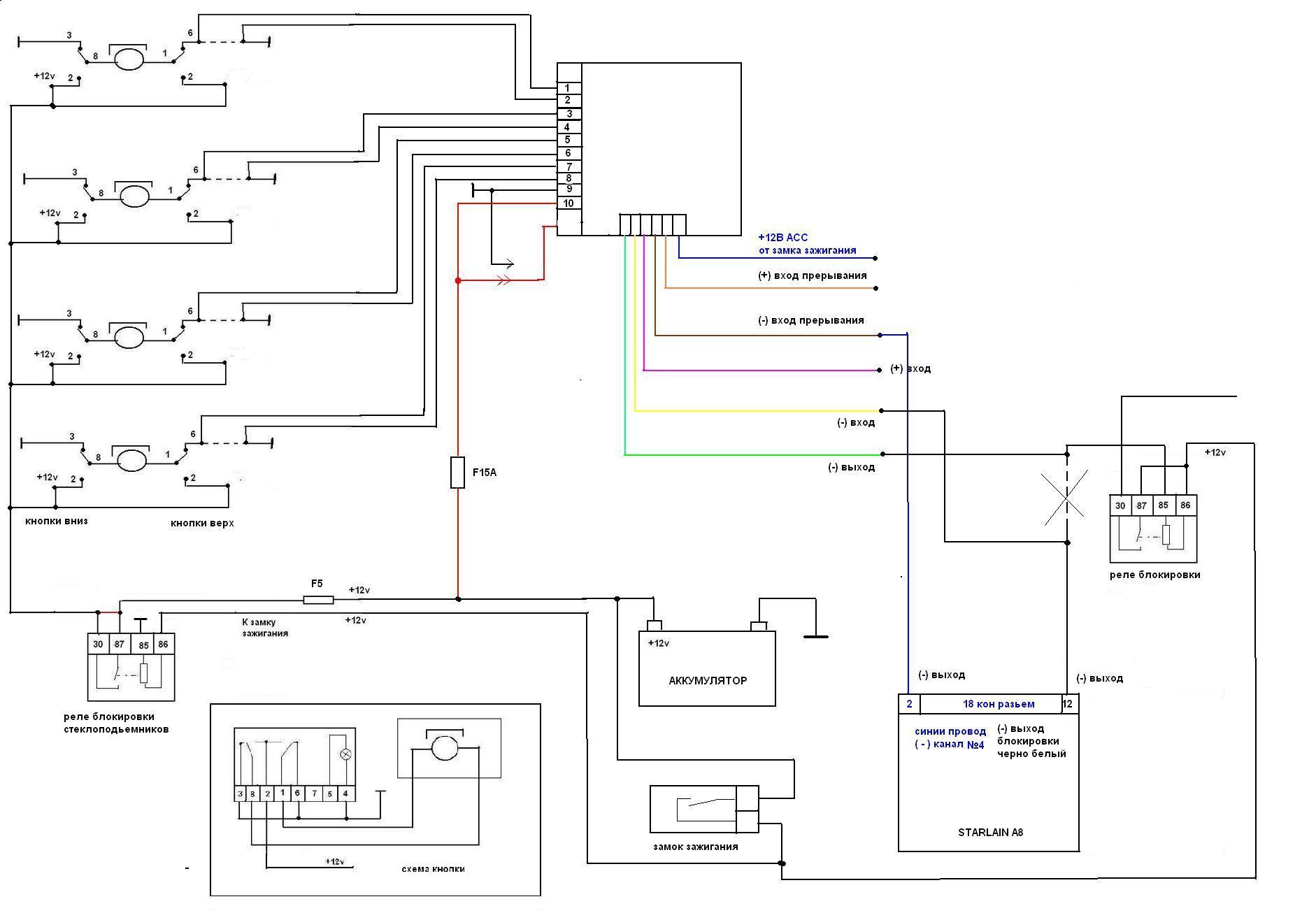
посмотрите пожалуста правильность схемы рисовал сам
и нужно подключатся к реле если на сигналке есть выход
под модуль и еще контакты №9 №10 как они должны быть замкнуты
с красным проводом



Falcon WR-400.JPG
 Описание:

Скачать
 Имя файла:  Falcon WR-400.JPG
 Размер файла:  158.02 KB
 Скачано:  1608 раз(а)

Вернуться к началу [профиль] [л.с.]
Показать сообщения:   
Этот форум закрыт, вы не можете писать новые сообщения и редактировать старые.   Эта тема закрыта, вы не можете писать ответы и редактировать сообщения.    Список форумов AutoSet.ru : форумы по автосигнализациям -> Прочая автоэлектроника и электрика Часовой пояс: GMT + 4
Страница 1 из 1

 
Перейти:  
Вы не можете начинать темы
Вы не можете отвечать на сообщения
Вы не можете редактировать свои сообщения
Вы не можете удалять свои сообщения
Вы не можете голосовать в опросах
Вы не можете вкладывать файлы
Вы можете скачивать файлы


Powered by phpBB © 2001, 2005 phpBB Group
Русская поддержка phpBB
Modified by phpBB Guru