|
|
| Автор |
Сообщение |
Dima66 Свой человек

Зарегистрирован: 22.11.2006 Сообщения: 45 Откуда: г.Екатеринбург
Статус: Вне форума
|
28.12.2006 16:22 Нужун совет спеца стеклодоводчикам |
[цитировать] |
|
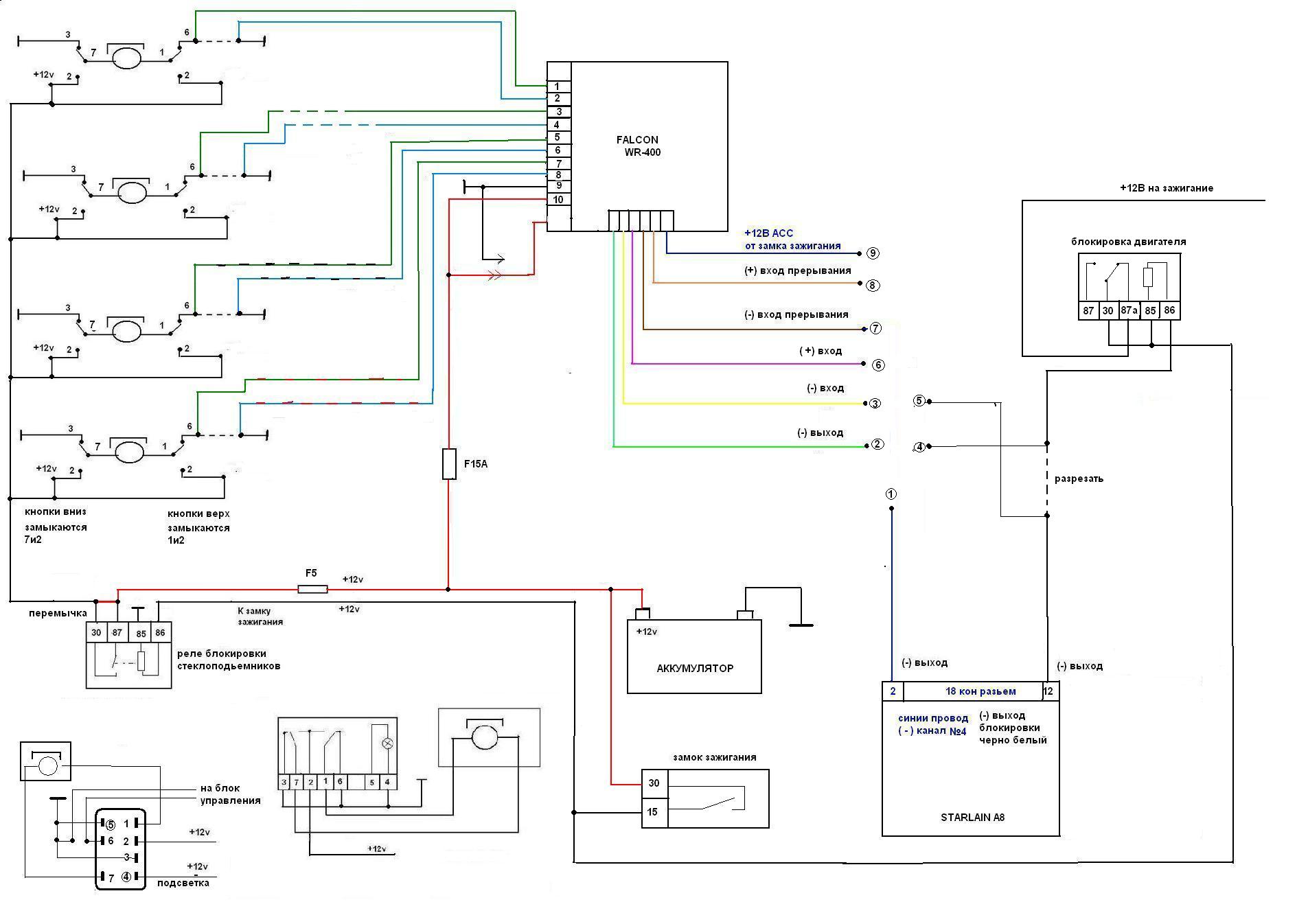
как подключить FALCON WR-400 МОДУЛЬ УПРАВЛЕНИЯ СТЕКЛОПОДЬЕМНИКАМИ
к ВАЗ-2110
СИГНАЛКА STARLAIN A8
устанавливаю самостоятельно подскажите по схеме
как подключить чтобы при постановке на охрану закрывало стекла
| Описание: |
|
 Скачать |
| Имя файла: |
Falcon WR-400.JPG |
| Размер файла: |
182.57 KB |
| Скачано: |
1685 раз(а) |
|
|
| Вернуться к началу |
[профиль] [л.с.] |
 |
Серый Тех. поддержка MMS Alligator

Зарегистрирован: 07.04.2006 Сообщения: 1969 Откуда: г. Сарапул Удмуртия
Статус: Вне форума
|
28.12.2006 19:11 |
[цитировать] |
|
Желтый на провод блокировки сиги , где минус при охране .
_________________ А иначе вам удачи не видать ! |
|
| Вернуться к началу |
[профиль] [л.с.] |
 |
Dima66 Свой человек

Зарегистрирован: 22.11.2006 Сообщения: 45 Откуда: г.Екатеринбург
Статус: Вне форума
|
|
| Вернуться к началу |
[профиль] [л.с.] |
 |
Серый Тех. поддержка MMS Alligator

Зарегистрирован: 07.04.2006 Сообщения: 1969 Откуда: г. Сарапул Удмуртия
Статус: Вне форума
|
29.12.2006 23:16 |
[цитировать] |
|
На здоровье . С наступающим !
_________________ А иначе вам удачи не видать ! |
|
| Вернуться к началу |
[профиль] [л.с.] |
 |
BLOODVIRUS Новобранец
Зарегистрирован: 03.10.2007 Сообщения: 1
Статус: Вне форума
|
03.10.2007 00:47 стеклодоводчик на камри 2007 |
[цитировать] |
|
| Всем привет! Нужна помощь... я то же решил установить сам стеклодоводчик(у меня камри 2007г., стеклодоводчик мангуст на 4е двери, а сигналка шерхан 5 с автозапуском). На сколько я понял от нее идет один доп канал, как быть? заранее спасибо..
|
|
| Вернуться к началу |
[профиль] [л.с.] |
 |
Грин /АвтоСет/ Тех.поддержка АвтоСет

Зарегистрирован: 13.07.2004 Сообщения: 4139 Откуда: АвтоСет Москва
Статус: Вне форума
|
03.10.2007 11:45 |
[цитировать] |
|
Боюсь что в данном авто доводчик не поможет. Надо использовать штатные автоматы стеклоподъемников.
_________________ ...Электрик от пассатижей недалеко падает!
народная мудрость
Посмотрим, подумаем... возможно поможем . |
|
| Вернуться к началу |
[профиль] [л.с.] |
 |
Серый Тех. поддержка MMS Alligator

Зарегистрирован: 07.04.2006 Сообщения: 1969 Откуда: г. Сарапул Удмуртия
Статус: Вне форума
|
03.10.2007 21:33 |
[цитировать] |
|
Доводчики вообще на всех Тойотах не катят
_________________ А иначе вам удачи не видать ! |
|
| Вернуться к началу |
[профиль] [л.с.] |
 |
garic 27 Эксперт

Зарегистрирован: 22.03.2007 Сообщения: 294 Откуда: Седьмая столица
Статус: Вне форума
|
04.10.2007 00:10 |
[цитировать] |
|
| Серый писал(а): | | Доводчики вообще на всех Тойотах не катят |
_________________ +7-962-586-68-18 |
|
| Вернуться к началу |
[профиль] [л.с.] |
 |
kotmu Эксперт
Зарегистрирован: 14.11.2006 Сообщения: 742
Статус: Вне форума
|
06.10.2007 23:40 |
[цитировать] |
|
катят. мангуст на камри 2007 года катит... но....
только три стекла. водительскую дверь от заводской кнопки. при постановке на охрану надо "обманывать" блок управления штатный - типа он видит зажигание. делали пару тачек. работает нормально, но возились первый раз долго.
|
|
| Вернуться к началу |
[профиль] [л.с.] |
 |
Серый Тех. поддержка MMS Alligator

Зарегистрирован: 07.04.2006 Сообщения: 1969 Откуда: г. Сарапул Удмуртия
Статус: Вне форума
|
07.10.2007 08:50 |
[цитировать] |
|
Я имел ввиду не катят в стандартном варианте , приходится мудрить и Тойоты я подразумевал только свежие 06 , 07 года выпуска . Объяснить человеку без опыта в форуме , как активировать штатный доводчик достаточно проблематично Так что не накидывайтесь братья по разуму
_________________ А иначе вам удачи не видать ! |
|
| Вернуться к началу |
[профиль] [л.с.] |
 |
kotmu Эксперт
Зарегистрирован: 14.11.2006 Сообщения: 742
Статус: Вне форума
|
07.10.2007 18:30 |
[цитировать] |
|
Серый
ну на кого-то ведь надо накидываться , а тут така удача
|
|
| Вернуться к началу |
[профиль] [л.с.] |
 |
Серый Тех. поддержка MMS Alligator

Зарегистрирован: 07.04.2006 Сообщения: 1969 Откуда: г. Сарапул Удмуртия
Статус: Вне форума
|
07.10.2007 21:47 |
[цитировать] |
|
Все понял , халява - это святое
_________________ А иначе вам удачи не видать ! |
|
| Вернуться к началу |
[профиль] [л.с.] |
 |
DJ_HIGH_BOB Студент
Зарегистрирован: 19.11.2009 Сообщения: 13 Откуда: Киров
Статус: Вне форума
|
|
| Вернуться к началу |
[профиль] [л.с.] |
 |
|